| Tình trạng sẵn có: | |
|---|---|
| Số: | |
TS
SDFL

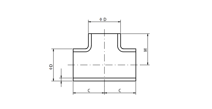
| Kích thước danh nghĩa | Đường kính bên ngoài | Kích thước cấu trúc | |
| DN | D | M | C |
| 15 | 21.3 | 25 | 25 |
| 20 | 26.9 | 29 | 29 |
| 25 | 33.7 | 38 | 38 |
| 32 | 42.4 | 48 | 48 |
| 40 | 48.3 | 57 | 57 |
| 50 | 60.3 | 64 | 64 |
| 65 | 73 | 76 | 76 |
| 80 | 88.9 | 86 | 86 |
| 90 | 101.6 | 95 | 95 |
| 100 | 114.3 | 105 | 105 |
| 125 | 141.3 | 124 | 124 |
| 150 | 168.3 | 143 | 143 |
| 200 | 219.1 | 178 | 178 |
| 250 | 273 | 216 | 216 |
| 300 | 323.9 | 254 | 254 |
| 350 | 355.6 | 279 | 279 |
| 400 | 406.4 | 305 | 305 |
| 450 | 457 | 343 | 343 |
| 500 | 508 | 381 | 381 |
| 550 | 559 | 419 | 419 |
| 600 | 610 | 432 | 432 |
| 650 | 660 | 495 | 495 |
| 700 | 711 | 521 | 521 |
| 750 | 762 | 559 | 559 |
| 800 | 813 | 597 | 597 |
| 850 | 864 | 635 | 635 |
| 900 | 914 | 673 | 673 |
| 950 | 965 | 711 | 711 |
| 1000 | 1016 | 749 | 749 |
| 1050 | 1067 | 711 | 762 |
| 1100 | 1118 | 762 | 813 |
| 1150 | 1168 | 800 | 851 |
| 1200 | 1219 | 838 | 889 |
| 1300 | 1321 | 908 | 978 |
| 1400 | 1422 | 978 | 1054 |
| 1500 | 1524 | 1054 | 1118 |
Kịch bản ứng dụng:
Hệ thống phản ứng hóa học: Phân nhánh tiêm chất xúc tác (T-TEE) để ngăn chặn sự phân phối hỗn loạn
Mạch làm mát năng lượng hạt nhân: phun nước an toàn (rèn tee hạt nhân), chống sốc nhiệt
Trung tâm dữ liệu Làm mát chất lỏng: Phân phối chất làm mát (tee hợp kim đồng), kiểm soát dòng chính xác
Các tính năng chính:
Tính ổn định của shunt: Độ dày củng cố nhánh = 0,3 × tường chính (khả năng chống búa nước)
Tối ưu hóa trường dòng chảy: Y-tee giảm 55% so với t-tee tại DN150 PN16
Thử nghiệm không phá hủy: 100% PAUT phát hiện Ø0,5mm sai sót
Giải pháp tùy chỉnh: Chia sẻ P/T/Media → Nhận thiết kế gia cố!

| Kích thước danh nghĩa | Đường kính bên ngoài | Kích thước cấu trúc | |
| DN | D | M | C |
| 15 | 21.3 | 25 | 25 |
| 20 | 26.9 | 29 | 29 |
| 25 | 33.7 | 38 | 38 |
| 32 | 42.4 | 48 | 48 |
| 40 | 48.3 | 57 | 57 |
| 50 | 60.3 | 64 | 64 |
| 65 | 73 | 76 | 76 |
| 80 | 88.9 | 86 | 86 |
| 90 | 101.6 | 95 | 95 |
| 100 | 114.3 | 105 | 105 |
| 125 | 141.3 | 124 | 124 |
| 150 | 168.3 | 143 | 143 |
| 200 | 219.1 | 178 | 178 |
| 250 | 273 | 216 | 216 |
| 300 | 323.9 | 254 | 254 |
| 350 | 355.6 | 279 | 279 |
| 400 | 406.4 | 305 | 305 |
| 450 | 457 | 343 | 343 |
| 500 | 508 | 381 | 381 |
| 550 | 559 | 419 | 419 |
| 600 | 610 | 432 | 432 |
| 650 | 660 | 495 | 495 |
| 700 | 711 | 521 | 521 |
| 750 | 762 | 559 | 559 |
| 800 | 813 | 597 | 597 |
| 850 | 864 | 635 | 635 |
| 900 | 914 | 673 | 673 |
| 950 | 965 | 711 | 711 |
| 1000 | 1016 | 749 | 749 |
| 1050 | 1067 | 711 | 762 |
| 1100 | 1118 | 762 | 813 |
| 1150 | 1168 | 800 | 851 |
| 1200 | 1219 | 838 | 889 |
| 1300 | 1321 | 908 | 978 |
| 1400 | 1422 | 978 | 1054 |
| 1500 | 1524 | 1054 | 1118 |
Kịch bản ứng dụng:
Hệ thống phản ứng hóa học: Phân nhánh tiêm chất xúc tác (T-TEE) để ngăn chặn sự phân phối hỗn loạn
Mạch làm mát năng lượng hạt nhân: phun nước an toàn (rèn tee hạt nhân), chống sốc nhiệt
Trung tâm dữ liệu Làm mát chất lỏng: Phân phối chất làm mát (tee hợp kim đồng), kiểm soát dòng chính xác
Các tính năng chính:
Tính ổn định của shunt: Độ dày củng cố nhánh = 0,3 × tường chính (khả năng chống búa nước)
Tối ưu hóa trường dòng chảy: Y-tee giảm 55% so với t-tee tại DN150 PN16
Thử nghiệm không phá hủy: 100% PAUT phát hiện Ø0,5mm sai sót
Giải pháp tùy chỉnh: Chia sẻ P/T/Media → Nhận thiết kế gia cố!