| Tình trạng sẵn có: | |
|---|---|
| Số: | |
PL mặt bích
SDFL

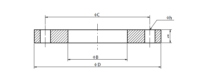
| Kích thước danh nghĩa | Đường kính ngoài | Đường kính bên trong | Đường kính vòng tròn trung tâm | Mặt bích chiều cao tổng thể | Đường kính lỗ bu lông | Số lỗ bu lông |
| DN | D | B | C | t | h | |
| 10A | 90 | 17.8 | 65 | 12 | 15 | 4 |
| 15A | 95 | 22.2 | 70 | 12 | 15 | 4 |
| 20A | 100 | 27.7 | 75 | 14 | 15 | 4 |
| 25A | 125 | 34.5 | 90 | 14 | 19 | 4 |
| 32a | 135 | 43.2 | 100 | 16 | 19 | 4 |
| 40A | 140 | 49.1 | 105 | 16 | 19 | 4 |
| 50A | 155 | 61.1 | 120 | 16 | 19 | 4 |
| 65a | 175 | 77.1 | 140 | 18 | 19 | 4 |
| 80A | 185 | 90 | 150 | 18 | 19 | 8 |
| 90a | 195 | 102.6 | 160 | 18 | 19 | 8 |
| 100a | 210 | 115.4 | 175 | 18 | 19 | 8 |
| 125a | 250 | 141.2 | 210 | 20 | 23 | 8 |
| 150a | 280 | 166.6 | 240 | 22 | 23 | 8 |
| 175a | 305 | 192.1 | 265 | 22 | 23 | 12 |
| 200a | 330 | 218 | 290 | 22 | 23 | 12 |
| 225a | 350 | 243.7 | 310 | 22 | 23 | 12 |
| 250a | 400 | 269.5 | 355 | 24 | 25 | 12 |
| 300a | 445 | 321 | 400 | 24 | 25 | 16 |
| 350A | 490 | 358.1 | 445 | 26 | 25 | 16 |
| 400a | 560 | 409 | 510 | 28 | 27 | 16 |
| 450a | 620 | 460 | 565 | 30 | 27 | 20 |
| 500a | 675 | 511 | 620 | 30 | 27 | 20 |
| 550A | 745 | 562 | 680 | 32 | 33 | 20 |
| 600a | 795 | 613 | 730 | 32 | 33 | 24 |
| 650A | 845 | 664 | 780 | 34 | 33 | 24 |
| 700a | 905 | 715 | 840 | 34 | 33 | 24 |
| 750A | 970 | 766 | 900 | 36 | 33 | 24 |
| 800a | 1020 | 817 | 950 | 36 | 33 | 28 |
| 850A | 1070 | 868 | 1000 | 36 | 33 | 28 |
| 900a | 1120 | 919 | 1050 | 38 | 33 | 28 |
| 1000a | 1235 | 1021 | 1160 | 40 | 39 | 28 |
| 1100a | 1345 | 1122 | 1270 | 42 | 39 | 28 |
| 1200a | 1465 | 1224 | 1380 | 44 | 39 | 32 |
| 1350A | 1630 | 1376 | 1540 | 48 | 45 | 36 |
| 1500a | 1795 | 1529 | 1700 | 50 | 45 | 40 |
Ứng dụng
Hệ thống tĩnh áp suất thấp:
(1) bể nước, ống thông gió, ống dẫn HVAC (≤ lớp 150).
(2) Các dòng làm mát áp suất thấp trong máy móc.
(3) Các ống thoát nước không quan trọng.
Các dự án định hướng chi phí:
(1) Cơ sở hạ tầng ngân sách (ví dụ, thủy lợi nông nghiệp).
(2) đường ống tạm thời hoặc thử nghiệm nguyên mẫu.
Các ứng dụng không áp lực:
(1) Trống đầu tắt ống (chức năng mặt bích bị mù).
(2) bao gồm thiết bị (ví dụ, bộ lọc, xe tăng).
Môi trường rủi ro chất lỏng thấp:
Không khí, nước, khí trơ ở điều kiện môi trường xung quanh.

| Kích thước danh nghĩa | Đường kính ngoài | Đường kính bên trong | Đường kính vòng tròn trung tâm | Mặt bích chiều cao tổng thể | Đường kính lỗ bu lông | Số lỗ bu lông |
| DN | D | B | C | t | h | |
| 10A | 90 | 17.8 | 65 | 12 | 15 | 4 |
| 15A | 95 | 22.2 | 70 | 12 | 15 | 4 |
| 20A | 100 | 27.7 | 75 | 14 | 15 | 4 |
| 25A | 125 | 34.5 | 90 | 14 | 19 | 4 |
| 32a | 135 | 43.2 | 100 | 16 | 19 | 4 |
| 40A | 140 | 49.1 | 105 | 16 | 19 | 4 |
| 50A | 155 | 61.1 | 120 | 16 | 19 | 4 |
| 65a | 175 | 77.1 | 140 | 18 | 19 | 4 |
| 80A | 185 | 90 | 150 | 18 | 19 | 8 |
| 90a | 195 | 102.6 | 160 | 18 | 19 | 8 |
| 100a | 210 | 115.4 | 175 | 18 | 19 | 8 |
| 125a | 250 | 141.2 | 210 | 20 | 23 | 8 |
| 150a | 280 | 166.6 | 240 | 22 | 23 | 8 |
| 175a | 305 | 192.1 | 265 | 22 | 23 | 12 |
| 200a | 330 | 218 | 290 | 22 | 23 | 12 |
| 225a | 350 | 243.7 | 310 | 22 | 23 | 12 |
| 250a | 400 | 269.5 | 355 | 24 | 25 | 12 |
| 300a | 445 | 321 | 400 | 24 | 25 | 16 |
| 350A | 490 | 358.1 | 445 | 26 | 25 | 16 |
| 400a | 560 | 409 | 510 | 28 | 27 | 16 |
| 450a | 620 | 460 | 565 | 30 | 27 | 20 |
| 500a | 675 | 511 | 620 | 30 | 27 | 20 |
| 550A | 745 | 562 | 680 | 32 | 33 | 20 |
| 600a | 795 | 613 | 730 | 32 | 33 | 24 |
| 650A | 845 | 664 | 780 | 34 | 33 | 24 |
| 700a | 905 | 715 | 840 | 34 | 33 | 24 |
| 750A | 970 | 766 | 900 | 36 | 33 | 24 |
| 800a | 1020 | 817 | 950 | 36 | 33 | 28 |
| 850A | 1070 | 868 | 1000 | 36 | 33 | 28 |
| 900a | 1120 | 919 | 1050 | 38 | 33 | 28 |
| 1000a | 1235 | 1021 | 1160 | 40 | 39 | 28 |
| 1100a | 1345 | 1122 | 1270 | 42 | 39 | 28 |
| 1200a | 1465 | 1224 | 1380 | 44 | 39 | 32 |
| 1350A | 1630 | 1376 | 1540 | 48 | 45 | 36 |
| 1500a | 1795 | 1529 | 1700 | 50 | 45 | 40 |
Ứng dụng
Hệ thống tĩnh áp suất thấp:
(1) bể nước, ống thông gió, ống dẫn HVAC (≤ lớp 150).
(2) Các dòng làm mát áp suất thấp trong máy móc.
(3) Các ống thoát nước không quan trọng.
Các dự án định hướng chi phí:
(1) Cơ sở hạ tầng ngân sách (ví dụ, thủy lợi nông nghiệp).
(2) đường ống tạm thời hoặc thử nghiệm nguyên mẫu.
Các ứng dụng không áp lực:
(1) Trống đầu tắt ống (chức năng mặt bích bị mù).
(2) bao gồm thiết bị (ví dụ, bộ lọc, xe tăng).
Môi trường rủi ro chất lỏng thấp:
Không khí, nước, khí trơ ở điều kiện môi trường xung quanh.