| Tình trạng sẵn có: | |
|---|---|
| Số: | |
Vì vậy, mặt bích
SDFL

Được thiết kế để lắp đặt nhanh chóng và khả năng phục hồi ăn mòn , mặt bích trượt bằng thép không gỉ EN 1092-1 DN15 này vượt trội trong các hệ thống áp suất thấp trên các lĩnh vực thực phẩm, đồ uống và dược phẩm. của nó Thiết kế trượt (loại 11) cho phép căn chỉnh nhanh với các ống số liệu, trong khi thép không gỉ F304 (1.4301) Vật liệu với crom 18% và 8% Niken, độ bền lâu dài trong môi trường ăn mòn nhẹ, đáp ứng các tiêu chuẩn vệ sinh nghiêm ngặt.
Tham số | Chi tiết |
Tiêu chuẩn | EN 1092-1 Loại 11 (Trượt trên) |
Vật liệu | Thép không gỉ F304 (1.4301, 18CR-8NI, cường độ kéo tối thiểu 515 MPa) |
Xếp hạng áp lực | PN10 (1.0 MPa, lý tưởng cho các hệ thống vệ sinh áp suất thấp) |
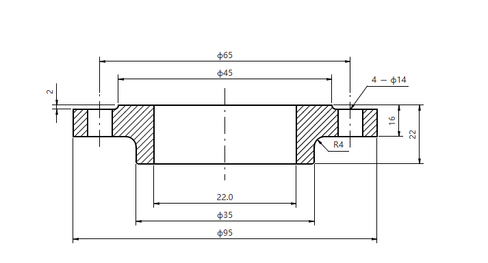
Dimensions | OD: 95mm, vòng tròn bu lông: 65mm, độ dày: 12 mm, id ống: 22,8mm (cho ống OD 21,3mm) |
Lỗ bu lông | 4x m10 (đường kính vòng tròn 65mm, m10x1.5) |
Loại niêm phong | Mặt lớn (RF, chiều cao 1,6mm, RA 1,6μm hoàn thiện) |
Phạm vi nhiệt độ | -20 ° C đến 400 ° C (tương thích với việc làm sạch CIP ở 80 nhiệt95 ° C) |
Căn chỉnh không có công cụ : Thiết kế trượt phù hợp với ISO 336 DN15 Ống (OD 21,3mm) với độ thanh thải xuyên tâm 1,5mm, cắt giảm thời gian lắp đặt xuống 40% so với các lựa chọn thay thế cổ hàn.
Khả năng chống ăn mòn thụ động : Lớp oxit crom của F304 chống lại các môi trường pH 4, 8 , bao gồm axit sữa (axit lactic, pH 4,5) và chất làm sạch nhà máy bia (ăn da, pH 12), ngăn ngừa rỗ trong 15 năm.
Kết thúc bề mặt vệ sinh : Một bề mặt đánh bóng RA 1,6μm giúp loại bỏ các điểm cạt vi khuẩn, đáp ứng FDA 21 CFR 177.2600 và EU 10/2011 cho tiếp xúc với thực phẩm.
Tuân thủ được đánh dấu CE : Được chứng nhận mỗi EN 1092-1 và PED 2014/68/EU (Mô-đun B+D), đảm bảo an toàn trong thiết bị áp lực cho các hệ thống nước dược phẩm.
Xử lý thực phẩm : Kết nối các dòng phun CIP (sạch tại chỗ) trong các nhà máy sữa, chịu được chu kỳ làm sạch axit nitric 85 ° C (nồng độ 1 thép2%) mà không ăn mòn.
Dược phẩm : Tích hợp vào nước vô trùng để tiêm các vòng tiêm (WFI), với điện tử tùy chọn .
Liều lượng hóa học : Quản lý các dung dịch kiềm nhẹ (ví dụ, 5% natri hydroxit) trong các hệ thống điều chỉnh pH nước thải, tránh lọc kim loại vào các dòng xử lý.
Q: Mặt bích này có yêu cầu hàn không?
A: Có. Thực hiện các mối hàn phi lê một mặt (chiều dài chân 3 mm) ở cả các cạnh bên trong và bên ngoài bằng kim loại phụ ER308L, trên mỗi EN 1011-3 cho hàn vệ sinh bằng thép không gỉ.
Q: Nó có thể được sử dụng với ống ASME không?
A: Có. Ghép nối với các bộ giảm tốc DN15 đến NPS 1/2 ' (EN 1092-1 sang ASME B16.5) có chuyển đổi OD 21,3mm sang 21,3mm cho các hệ thống tiêu chuẩn hỗn hợp.
Hỏi: Mô -men xoắn nào nên được áp dụng cho các bu lông?
Trả lời: Mô-men xoắn M10 A2-70 Bu lông bằng thép không gỉ đến 35 Ném40 N · m bằng cách sử dụng cờ lê mô-men xoắn hiệu chuẩn, theo trình tự chuẩn chéo để đảm bảo chèn nén ngay cả.

Được thiết kế để lắp đặt nhanh chóng và khả năng phục hồi ăn mòn , mặt bích trượt bằng thép không gỉ EN 1092-1 DN15 này vượt trội trong các hệ thống áp suất thấp trên các lĩnh vực thực phẩm, đồ uống và dược phẩm. của nó Thiết kế trượt (loại 11) cho phép căn chỉnh nhanh với các ống số liệu, trong khi thép không gỉ F304 (1.4301) Vật liệu với crom 18% và 8% Niken, độ bền lâu dài trong môi trường ăn mòn nhẹ, đáp ứng các tiêu chuẩn vệ sinh nghiêm ngặt.
Tham số | Chi tiết |
Tiêu chuẩn | EN 1092-1 Loại 11 (Trượt trên) |
Vật liệu | Thép không gỉ F304 (1.4301, 18CR-8NI, cường độ kéo tối thiểu 515 MPa) |
Xếp hạng áp lực | PN10 (1.0 MPa, lý tưởng cho các hệ thống vệ sinh áp suất thấp) |
Dimensions | OD: 95mm, vòng tròn bu lông: 65mm, độ dày: 12 mm, id ống: 22,8mm (cho ống OD 21,3mm) |
Lỗ bu lông | 4x m10 (đường kính vòng tròn 65mm, m10x1.5) |
Loại niêm phong | Mặt lớn (RF, chiều cao 1,6mm, RA 1,6μm hoàn thiện) |
Phạm vi nhiệt độ | -20 ° C đến 400 ° C (tương thích với việc làm sạch CIP ở 80 nhiệt95 ° C) |
Căn chỉnh không có công cụ : Thiết kế trượt phù hợp với ISO 336 DN15 Ống (OD 21,3mm) với độ thanh thải xuyên tâm 1,5mm, cắt giảm thời gian lắp đặt xuống 40% so với các lựa chọn thay thế cổ hàn.
Khả năng chống ăn mòn thụ động : Lớp oxit crom của F304 chống lại các môi trường pH 4, 8 , bao gồm axit sữa (axit lactic, pH 4,5) và chất làm sạch nhà máy bia (ăn da, pH 12), ngăn ngừa rỗ trong 15 năm.
Kết thúc bề mặt vệ sinh : Một bề mặt đánh bóng RA 1,6μm giúp loại bỏ các điểm cạt vi khuẩn, đáp ứng FDA 21 CFR 177.2600 và EU 10/2011 cho tiếp xúc với thực phẩm.
Tuân thủ được đánh dấu CE : Được chứng nhận mỗi EN 1092-1 và PED 2014/68/EU (Mô-đun B+D), đảm bảo an toàn trong thiết bị áp lực cho các hệ thống nước dược phẩm.
Xử lý thực phẩm : Kết nối các dòng phun CIP (sạch tại chỗ) trong các nhà máy sữa, chịu được chu kỳ làm sạch axit nitric 85 ° C (nồng độ 1 thép2%) mà không ăn mòn.
Dược phẩm : Tích hợp vào nước vô trùng để tiêm các vòng tiêm (WFI), với điện tử tùy chọn .
Liều lượng hóa học : Quản lý các dung dịch kiềm nhẹ (ví dụ, 5% natri hydroxit) trong các hệ thống điều chỉnh pH nước thải, tránh lọc kim loại vào các dòng xử lý.
Q: Mặt bích này có yêu cầu hàn không?
A: Có. Thực hiện các mối hàn phi lê một mặt (chiều dài chân 3 mm) ở cả các cạnh bên trong và bên ngoài bằng kim loại phụ ER308L, trên mỗi EN 1011-3 cho hàn vệ sinh bằng thép không gỉ.
Q: Nó có thể được sử dụng với ống ASME không?
A: Có. Ghép nối với các bộ giảm tốc DN15 đến NPS 1/2 ' (EN 1092-1 sang ASME B16.5) có chuyển đổi OD 21,3mm sang 21,3mm cho các hệ thống tiêu chuẩn hỗn hợp.
Hỏi: Mô -men xoắn nào nên được áp dụng cho các bu lông?
Trả lời: Mô-men xoắn M10 A2-70 Bu lông bằng thép không gỉ đến 35 Ném40 N · m bằng cách sử dụng cờ lê mô-men xoắn hiệu chuẩn, theo trình tự chuẩn chéo để đảm bảo chèn nén ngay cả.